▊ 概要
高思(GAOSSI®)专业供应日本考世美(KOSMEK,コスメック)品牌无泄漏截止阀(手动切换阀)BT系列BT2210-0、BT2510-0等产品。截止阀通过操纵杆操作在回路关闭或切断时保持二次侧的液压。应用在汽车、光伏、机床、冲床/压力机、车辆、钢铁、建筑、机械设备、电气设备、电子、通讯、医疗器械等行业。
—— ◇ ——

▣ BRIEF INTRODUCTION
- 无泄漏截止阀(手动切换阀)
- BT系列
- BT2210-0、BT2510-0
- 2~7MPa/7~30MPa
- レバー操作により動作するストップバルブで、回路閉時・切断時は2次側油圧を保持します。
※ 图片仅供参考 Pictures shown are for illustrative purposes only.
▊ 属性
| 品名 NAME | 型号 TYPE | 系列 SERIES |
| 无泄漏截止阀(手动切换阀)/ノンリークストップバルブ (手動切換弁) | BT2210-0、BT2510-0 | BT系列 |
| 品牌 BRAND | 系别 COUNTRY | 产地 ORIGIN |
| 考世美(KOSMEK,コスメック) | 日本 | 日本 |
▊ 型号
高思(GAOSSI®)专业供应以下系列型号产品:
☑ 系列型号
• 略
说明:以上系列型号源自于产品目录或企业官网。如有发生变更,恕不另行通知,具体可参考官网、产品目录或官方通告。
☑ 型号说明

☑ 型号示例
BT2210-0、BT2510-0
提示:了解更多系列型号,可咨询客服、参考产品目录或企业官网。
▊ 规格
☑ 规格参数

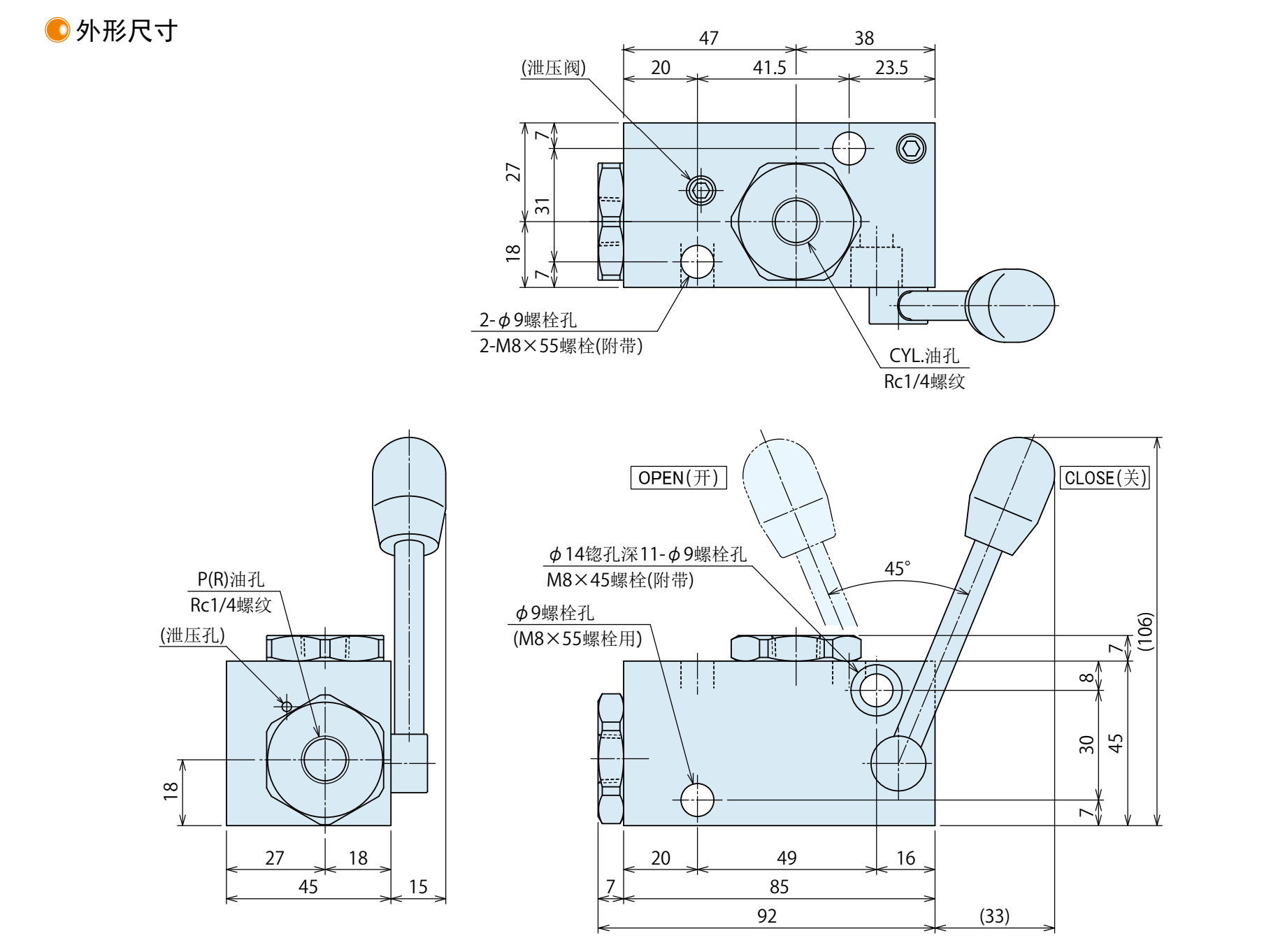
☑ 外形规格

说明:以上规格参数源自于产品目录或企业官网。如有发生变更,恕不另行通知,具体可参考官网、产品目录或官方通告。
▊ 特点
• 通过操纵杆操作的无泄漏截止阀,在回路关闭时和断开回路时可以保持2 次侧的油压。
• 对多个工件进行装卸作业时,能单独对每个工件实施夹紧・ 松开操作,以防止工件的掉落。
• 回路关闭时,仍能保持2 次侧压力,防止工件的掉落。
▊ 应用
• 应用在汽车、光伏、机床、冲床/压力机、车辆、钢铁、建筑、机械设备、电气设备、电子、通讯、医疗器械等行业。
购买说明
• 了解更多上述系列型号产品的规格、特点、应用等详情,可咨询客服,或参考官方网站/产品目录。
• 以上展示的产品图片仅供说明用,具体型号可能有所差异。
• 上述系列型号产品的外观、包装、产地、附件说明等可能会因升级迭代等原因而有变更,请以实际报价或产品目录等为准。
• 关于上述系列型号的产品【价格、货期、付款、物流】等信息,请参考具体邮件或报价等。
权利声明
• 以上部分图片、文字资料来源于自有实拍、公开网络、CC0 授权素材平台、品牌官方网站及官方产品目录,仅供业务参考使用。详情参见【著作权声明】。
上記の一部画像・文章などの情報は、自社撮影、インターネット、CC0 ライセンスの第三者サイト、メーカー公式サイトまたは公式カタログなどを引用しております。業務参考のみに使用いたします。詳細は【著作権声明】をご覧ください。
Some of the above images, texts come from in-house photography, the Internet, third-party websites with CC0 license, brand official websites and official catalogs, for business reference only. For details, please refer to the [Copyright Statement].
• 除非另有明确说明,否则,高思(GAOSSI® )并非本网站展示产品的授权经销商、关联公司或代表。本网站对带有相关产品名称、商标及标识的展示、说明与销售仅用于产品识别目的,不代表与相关权利人存在合作关系或获得其授权。本网站使用的所有产品名称、商标及标识均为其各自权利人的财产。
GAOSSI® は、特に明记されていない限り、このウェブサイトに掲载されている製品の正规贩売代理店、関连会社または代表者ではありません。 これらの名前、商标およびロゴを特徴とする製品の描写、説明または贩売は、识别のみを目的としており、権利所有者との提携または承认を示すことを意図したものではありません。 本サイトで使用されているすべての製品名、商标およびロゴは、それぞれの所有者の财産です。
GAOSSI® is not an authorized distributor, affiliate or representative of the products featured on this website unless explicitly stated otherwise. The depiction, description or sale of products featuring these names, trademarks and logos are for identification purposes only, not intended to indicate any affiliation with or authorization by any rights holder. All product names, trademarks and logos used on this site are the property of their respective owners.
高思承诺
• 高思销售的商品提供正规增值税发票、商务文件、专业的售后服务。
正品行货
• 高思向您保证所售商品均为正品行货。
高效配送
• 高思销售的商品默认以顺丰或京东快递/物流发货,安全快速。(部分商品除外,详情参见具体报价或相关规定)








